 |
|
|
|
| 현재위치 : 바퀴 >> 레일 |
   |
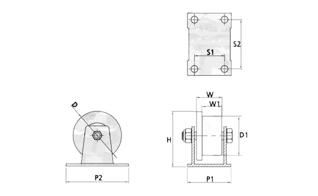
| 제 품 명 : HC-BKMC/BKIR ( 제품번호 : 3546 ) |
|
 |
브레이크 철, MC나이론 기차레일 플레이트
※ 주문제작은 납기일이 7일 이상입니다. |
■사양(MC나이론 기차레일-브레이크)
| 품번 |
상품명 |
바퀴외경
(D-D1) |
바퀴두께
(W-W1) |
전체높이
(H) |
뿌라켓
(T) |
밑판넓이
(P1-P2) |
볼트간거리
(S1-S2) |
볼트홀
(B) |
삽입베어링
(Z) |
허용하중
(kg) |
비고 |
| HC-34079 |
HC-BKMC 150 |
150-110 |
100-80 |
169 |
9 |
154-105 |
85-134 |
10.4 |
6204 |
600 |
|
| HC-34080 |
HC-BKMC 200 |
200-160 |
115-100 |
220 |
10 |
201-150 |
171-120 |
12.5 |
6306 |
1200 |
|
| HC-34081 |
HC-BKMC 250 |
250-200 |
115-100 |
270 |
10 |
201-150 |
171-120 |
12.5 |
6306 |
1500 |
주문제작 |
| HC-34401 |
HC-BKMC 110 |
150-110 |
115-100 |
169 |
9 |
169-105 |
85-149 |
10.5 |
6306 |
1000 |
주문제작 |
■사양(MC기차레일로라만)
| 품번 |
상품명 |
바퀴외경
(D-D1) |
바퀴두께
(W-W1) |
삽입베어링
(Z) |
허용하중
(kg) |
비고 |
| HC-82109 |
HC-BMCR 150 |
150-110 |
100-80 |
6204(별도) |
600 |
|
| HC-82110 |
HC-MCR 200 |
200-160 |
115-100 |
6306(별도) |
1200 |
|
| HC-82111 |
HC-MCR 250 |
250-200 |
115-100 |
6306(별도) |
1500 |
주문제작 |
| HC-83111 |
HC-MCR 110 |
150-110 |
115-100 |
6306(별도) |
1000 |
주문제작 |
■사양(철 기차레일-브레이크)
| 품번 |
상품명 |
바퀴외경
(D-D1) |
바퀴두께
(W-W1) |
전체높이
(H) |
뿌라켓
(T) |
밑판넓이
(P1-P2) |
볼트간거리
(S1-S2) |
볼트홀
(B) |
삽입베어링
(Z) |
허용하중
(kg) |
비고 |
| HC-34082 |
HC-BKIR 150 |
148-110 |
100-80 |
169 |
9 |
154-105 |
85-134 |
10.4 |
6304 |
600 |
|
| HC-34083 |
HC-BKIR 200 |
198-160 |
115-100 |
220 |
10 |
201-150 |
171-120 |
12.5 |
6306 |
1500 |
|
| HC-34088 |
HC-BKIR 230 |
198-160 |
115-100 |
220 |
15t(용접) |
201-150 |
171-120 |
12.5 |
6406 |
4500 |
|
| HC-34084 |
HC-BKIR 250 |
248-200 |
115-100 |
270 |
10 |
201-150 |
171-120 |
12.5 |
6306 |
2000 |
주문제작 |
| HC-34403 |
HC-BKIR 115 |
148-115 |
115-100 |
169 |
9 |
169-105 |
85-149 |
10.5 |
6306 |
1200 |
주문제작 |
■사양(철기차레일 로라만)
| 품번 |
상품명 |
바퀴외경
(D-D1) |
바퀴두께
(W-W1) |
삽입베어링
(Z) |
허용하중
(kg) |
비고 |
| HC-82112 |
HC-RE 150 |
148-110 |
100-80 |
6304, 6204(별도) |
600 |
|
| HC-82113 |
HC-RE 200 |
198-160 |
115-100 |
6306, 6406(별도) |
1500 |
|
| HC-82114 |
HC-RE 250 |
248-200 |
115-100 |
6306(별도), 6406 |
2000 |
|
| HC-83114 |
HC-RE150-115 |
148-110 |
115-100 |
6306(별도) |
1500 |
|
|
|
|
|