 |
|
|
|
| 현재위치 : 바퀴 >> 레일 |
   |
| 제 품 명 : ㄱ자조립(잔넬) HC-TRL ( 제품번호 : 2979 ) |
|
 |
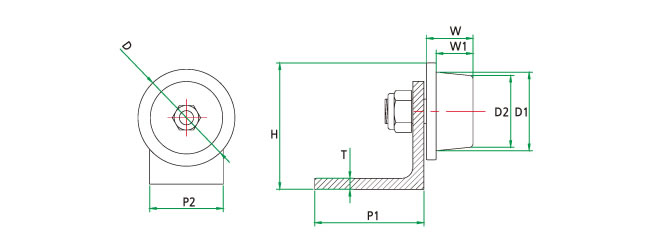
| 철잔넬용 바퀴 ㄱ자조립형고정 HC-TRL |
■ 잔넬용(테이퍼형)
| 품번 |
상품명 |
바퀴외경
(D) |
바퀴외경
(D-D1) |
바퀴폭
(W1-W2) |
전체높이
(H) |
브라켓
(T) |
밑판넓이
(P1-P2) |
삽입베어링
(B) |
허용하중
(kg) |
수량
(Box) |
| HC-32010 |
HC-TRL3 |
79 |
64-58 |
38-30 |
103 |
9 |
89-60 |
6004 |
400 |
16EA |
| HC-32011 |
HC-TRL4 |
98 |
89-81.5 |
43-36 |
123.5 |
9 |
100-75 |
6204 |
800 |
10EA |
| HC-32012 |
HC-TRL5 |
138 |
113-106 |
44-35 |
174 |
12 |
130-85 |
6304 |
1000 |
4EA |
| HC-32013 |
HC-TRL6 |
148 |
128-120 |
44-35 |
179 |
12 |
130-85 |
6304 |
1000 |
4EA |
| HC-32014 |
HC-TRL8 |
198 |
172-165 |
44-35 |
204 |
12 |
130-85 |
6304 |
1500 |
4EA |
| HC-32015 |
HC-3TRL75 |
74 |
64-56 |
38-32 |
100 |
9 |
89-60 |
6005 |
500 |
16EA |
| HC-32016 |
HC-4TRL98 |
98 |
88-83 |
49-40 |
123 |
9 |
100-75 |
6206 |
600 |
10EA |
| HC-32017 |
HC-5TRL128 |
128 |
114-106 |
54-42 |
170 |
12 |
130-85 |
6206 |
800 |
4EA |
| HC-32018 |
HC-6TRL148 |
148 |
131-121 |
60-45 |
179 |
12 |
130-85 |
6206 |
800 |
4EA |
■ 적용 규격표(잔넬 단면치수)
| H*B |
t1 |
t2 |
r1 |
r2 |
| 75*40 |
5 |
7 |
8 |
4 |
| 100*50 |
5 |
7.5 |
8 |
4 |
| 125*65 |
6 |
8 |
8 |
4 |
| 150*75 |
6.5 |
10 |
10 |
5 |
| 200*80 |
7.5 |
11 |
12 |
6 |
| 200*90 |
8 |
13.5 |
14 |
7 |
| 250*90 |
9 |
13 |
14 |
7 |
| 300*90 |
9 |
13 |
14 |
7 |
| 380*100 |
10.5 |
16 |
18 |
9 |
| 380*100 |
13 |
20 |
24 |
12 |
|
|
|
|