 |
|
|
|
| 현재위치 : 바퀴 >> 레일 |
   |
| 제 품 명 : ㄱ자조립(H빔) HC-RL/HC-RHRL ( 제품번호 : 2977 ) |
|
 |
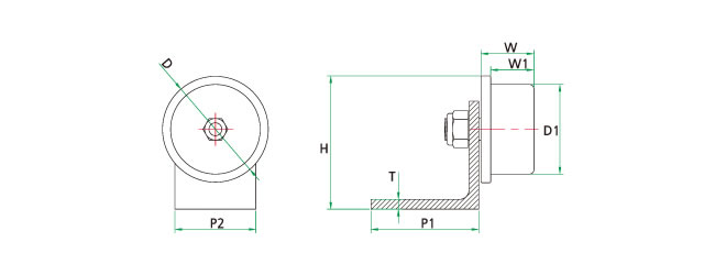
철 H빔용 바퀴 ㄱ자조립형 고정 HC-RL/HC-RHRL
용도 : 리프트용 |
■ 철 H빔용
| 품번 |
상품명 |
바퀴외경
(D-D1) |
바퀴폭
(W1-W2) |
전체높이
(H) |
브라켓
(T) |
밑판넓이
(P1-P2) |
삽입베어링
(B) |
허용하중
(kg) |
수량
(Box) |
| HC-32001 |
HC-RL3 |
79-59 |
38-30 |
103 |
9 |
89-60 |
6004 |
400 |
16EA |
| HC-32002 |
HC-RL4 |
98-81.5 |
43-36 |
123.5 |
9 |
100-75 |
6204 |
800 |
10EA |
| HC-32003 |
HC-RL5 |
138-107 |
44-35 |
174 |
12 |
130-85 |
6304 |
1000 |
4EA |
| HC-32004 |
HC-RL6 |
148-127 |
44-35 |
179 |
12 |
130-85 |
6304 |
1000 |
4EA |
| HC-32005 |
HC-RL8 |
198-170 |
44-35 |
204 |
12 |
130-85 |
6304 |
1500 |
4EA |
| HC-32006 |
HC-3RHRL |
74-60 |
38-32 |
100 |
9 |
89-60 |
6005 |
500 |
16EA |
| HC-32007 |
HC-4RHRL |
98-83 |
49-40 |
123 |
9 |
100-75 |
6206 |
600 |
10EA |
| HC-32008 |
HC-5RHRL |
128-107 |
54-42 |
170 |
12 |
130-85 |
6206 |
800 |
4EA |
| HC-32009 |
HC-6RHRL |
148-128 |
60-45 |
179 |
12 |
130-85 |
6206 |
800 |
4EA |
■ 적용 규격표(H빔 단면치수)
| H*B |
t1 |
t2 |
| 100*75 |
3.2 |
4.5 |
| 100*100 |
3.2 |
4.5 |
| 100*100 |
6.0 |
9.0 |
| 125*75 |
3.2 |
4.5 |
| 125*100 |
3.2 |
4.5 |
| 12*125 |
6.0 |
9.0 |
| 150*75 |
3.2 |
4.5 |
| 150*75 |
5.0 |
7.0 |
| 150*100 |
3.2 |
4.5 |
| 200*100 |
3.2 |
4.5 |
| 200*100 |
3.2 |
6.0 |
| 200*150 |
3.2 |
4.5 |
|
|
|
|