 |
|
|
|
| 현재위치 : 바퀴 >> ㄷ레일 |
   |
| 제 품 명 : ㄷ레일회전(올스텐) HC-SDS ( 제품번호 : 2951 ) |
|
 |
올스텐ㄷ레일 회전SUS HC-SDS
용도 :
- 304스텐레스로 회전(곡선)라인작업에 용이
- 내부식성이 요구되는 장소
- 접이식 도어에 사용 |
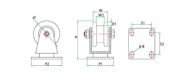
■사양
| 품번 |
상품명 |
바퀴외경
(D) |
바퀴폭
(W) |
홈폭
(W1) |
전체높이
(H) |
홈깊이
(H1) |
밑판넓이
(P1-P2) |
볼트간거리
(S1-S2) |
삽입베어링
(Z) |
허용하중
(kg) |
| HC-31128 |
HC-SDS 2" |
49 |
29 |
14 |
76 |
10 |
50-65 |
25-53 |
S6000 |
150 |
| HC-31129 |
HC-SDS 2-1/2" |
59 |
34 |
18 |
87 |
11 |
60-70 |
45-50 |
S6000 |
150 |
| HC-31138 |
HC-SDS 3" |
69 |
36 |
23 |
98 |
13.5 |
70-96 |
45-75 |
S6201 |
200 |
| HC-31139 |
HC-SDS 1-1/2" |
39 |
26 |
10 |
60 |
8 |
48-65 |
30-54 |
S608 |
80 |
■ 적용 규격표(앵글 규격표)
| H*B |
t |
r1 |
r2 |
| 25*25 |
3 |
4 |
2 |
| 30*30 |
3 |
4 |
2 |
| 40*40 |
3 |
4.5 |
2 |
| 4 |
4.5 |
3 |
| 5 |
4.5 |
3 |
| 45*45 |
4 |
6.5 |
3 |
| 50*50 |
4 |
6.5 |
3 |
| 6 |
6.5 |
4.5 |
| 60*60 |
4 |
6.5 |
3 |
| 5 |
6.5 |
3 |
| 6 |
6.5 |
4.5 |
| 65*65 |
6 |
8.5 |
4 |
| 8 |
8.5 |
6 |
| 70*70 |
6 |
8.5 |
4 |
|
|
|
|