 |
|
|
|
| 현재위치 : 바퀴 >> ㄷ레일 |
   |
| 제 품 명 : 용접용 고정(ㄷ레일) HC-DR/HC-R ( 제품번호 : 2931 ) |
|
 |
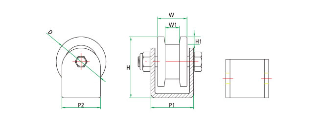
| ㄷ레일(용접형) HC-DR/HC-RRD |
■사양(철ㄷ레일고정-용접형)
| 품번 |
상품명 |
바퀴외경
(D) |
바퀴폭
(W) |
홈폭
(W1) |
전체높이
(H) |
홈깊이
(H1) |
밑판넓이
(P1-P2) |
삽입베어링
(Z) |
허용하중
(kg) |
수량
(Box) |
| HC-31009 |
HC-DR 2" |
49 |
29 |
14 |
60 |
7 |
42-38 |
6000 |
100 |
36EA |
| HC-31010 |
HC-DR 2-1/2" |
64 |
34 |
20 |
77 |
10.5 |
46-50 |
6000 |
120 |
24EA |
| HC-31011 |
HC-DR 3" |
74 |
40 |
22 |
89 |
8 |
57-50 |
6201 |
150 |
12EA |
| HC-31038 |
HC-RRD 80 |
78 |
52 |
32 |
104 |
9.5 |
77-65 |
6204 |
800 |
8EA |
| HC-31042 |
HC-RRD4-35 |
98 |
70 |
35 |
118 |
11 |
96-65 |
6204 |
1000 |
8EA |
| HC-31043 |
HC-RRD4-46 |
98 |
70 |
46 |
118 |
11 |
96-65 |
6204 |
1000 |
8EA |
| HC-31044 |
HC-RRD4-52 |
98 |
70 |
52 |
118 |
9.5 |
96-65 |
6204 |
1000 |
8EA |
| HC-31045 |
HC-RRD6-65 |
148 |
92 |
65 |
170 |
24 |
117-65 |
6304 |
1500 |
4EA |
| HC-31105 |
HC-RRD6-104 |
148 |
125 |
104 |
167 |
24 |
151-90 |
6306 |
1800 |
4EA |
| HC-31110 |
HC-RRD4-65 |
98 |
94 |
65 |
117 |
15 |
121-65 |
6304 |
1000 |
4EA |
| HC-31111 |
HC-RRD4-70 |
98 |
94 |
70 |
117 |
15 |
124-65 |
6304 |
1000 |
4EA |
| HC-31137 |
HC-RRD1-1/2 |
39 |
26 |
10 |
58 |
6.5 |
39-38 |
608 |
80 |
40EA |
| HC-31107 |
HC-RRD1-1/4" |
32 |
24.5 |
14.5 |
38 |
7.5 |
34-30 |
607 |
50 |
100EA |
■ 각관 규격표
| 변의길이m/m |
두께(m/m) |
| 15*15 |
1.4
1.6 |
| 19*19 |
1.4
1.6 |
| 20*20 |
1.2
1.6 |
| 25*25 |
1.2
1.6 |
| 30*30 |
1.2
1.6 |
| 40*40 |
1.6
2.3 |
| 50*50 |
1.6
2.3
3.2 |
| 60*60 |
1.6
2.3
3.2 |
| 75*75 |
2.3
3.2 |
| 90*90 |
2.3
3.2 |
| 100*100 |
2.3
3.2
4.0
4.5 |
| 125*125 |
3.2
4.5 |
|
|
|
|