 |
|
|
|
| 현재위치 : 바퀴 >> ㄷ레일 |
   |
| 제 품 명 : 올스텐 하부로라고정 ( 제품번호 : 2947 ) |
|
 |
올스텐 하부로라고정(기차레일)
특징 :
- 기차레일에 맞추어 사용할 수 있도록 제작
- 고중량 고급형레일용으로 사용할 수 있도록 제작(9~37kg)
용도 :
- 9kg레일 : 34mm
- 15kg레일 : 45mm
- 22kg레일 : 52mm
- 30~37kg레일 : 65mm 홈폭사용 |
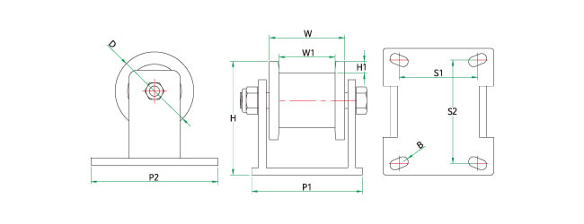
■ 사양
| 품번 |
상품명 |
바퀴외경
(D) |
바퀴폭
(W) |
홈폭
(W1) |
전체높이
(H) |
홈깊이
(H1) |
밑판넓이
(P1-P2) |
볼트간거리
(S1-S2) |
볼트홀
(B) |
삽입베어링
(Z) |
허용하중
(kg) |
| HC-31049 |
하부로라고정
9kg SUS |
78 |
52 |
35 |
88.5 |
15 |
72-145 |
39-108 |
10.2 |
S6201 |
300 |
| HC-31050 |
하부로라고정
9kg SUS |
98 |
68 |
35 |
119 |
10 |
114-159 |
74-129 |
12.5 |
S6204 |
800 |
| HC-31051 |
하부로라고정
15kg SUS |
98 |
68 |
45 |
119 |
10 |
114-159 |
74-129 |
12.5 |
S6204 |
800 |
| HC-31052 |
하부로라고정
22kg SUS |
98 |
68 |
52 |
119 |
10 |
114-159 |
74-129 |
12.5 |
S6204 |
800 |
■ 레일 규격표
| 구분 |
공칭치수 |
A |
B |
C |
| 경량레일 |
9kg |
63.50 |
63.50 |
32.10 |
| 15kg |
79.37 |
79.37 |
42.86 |
| 22kg |
93.66 |
93.6 |
50.86 |
중레일
(보통레일) |
30kg |
107.95 |
107.95 |
60.33 |
| 37kg |
122.24 |
122.24 |
62.71 |
| 50kgN |
144.46 |
127.00 |
65.00 |
| 60kg |
174.00 |
145.00 |
65.00 |
| 70kg |
148.00 |
140.00 |
65.30 |
|
|
|
|