| |
|
 |
|
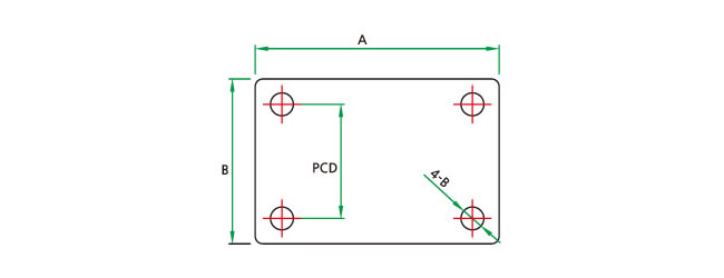
■ CS스틸 베이스판
| 품번 |
외경
(A-B) |
내경
(¢) |
두께
(T) |
홀간격
(PCD) |
| HC-61084 |
100-100 |
16 |
6 |
70 |
| HC-61085 |
120-120 |
16 |
6 |
90 |
| HC-61086 |
150-150 |
18 |
6 |
110 |
| HC-61087 |
150-150 |
18 |
8 |
110 |
| HC-61088 |
150-150 |
18 |
10 |
110 |
| HC-61089 |
180-180 |
20 |
6 |
130 |
| HC-61090 |
180-180 |
20 |
8 |
130 |
| HC-61091 |
180-180 |
20 |
10 |
130 |
| HC-61092 |
180-180 |
20 |
12 |
130 |
| HC-61093 |
200-200 |
20 |
6 |
150 |
| HC-61094 |
200-200 |
20 |
8 |
150 |
| HC-61095 |
200-200 |
20 |
9 |
150 |
| HC-61096 |
200-200 |
20 |
10 |
150 |
| HC-61097 |
200-200 |
20 |
12 |
150 |
| HC-61098 |
250-250 |
24 |
6 |
190 |
| HC-61099 |
250-250 |
24 |
8 |
190 |
| HC-61100 |
250-250 |
24 |
10 |
190 |
| HC-61101 |
250-250 |
24 |
12 |
190 |
| HC-61102 |
300-300 |
24 |
10 |
240 |
| HC-61103 |
300-300 |
24 |
12 |
240 |
| HC-61104 |
400-400 |
28 |
12 |
320 |
■ SUS스텐 베이스판
| 품번 |
외경
(A-B) |
내경
(¢) |
두께
(T) |
홀간격
(PCD) |
| HC-61105 |
100-100 |
16 |
6 |
70 |
| HC-61106 |
120-120 |
16 |
6 |
90 |
| HC-61107 |
150-150 |
18 |
6 |
110 |
| HC-61108 |
150-150 |
18 |
8 |
110 |
| HC-61109 |
150-150 |
18 |
10 |
110 |
| HC-61110 |
180-180 |
20 |
6 |
130 |
| HC-61111 |
180-180 |
20 |
8 |
130 |
| HC-61112 |
180-180 |
20 |
10 |
130 |
| HC-61113 |
180-180 |
20 |
12 |
130 |
| HC-61114 |
200-200 |
20 |
6 |
150 |
| HC-61115 |
200-200 |
20 |
8 |
150 |
| HC-61116 |
200-200 |
20 |
9 |
150 |
| HC-61117 |
200-200 |
20 |
10 |
150 |
| HC-61118 |
200-200 |
20 |
12 |
150 |
| HC-61119 |
250-250 |
24 |
6 |
190 |
| HC-61120 |
250-250 |
24 |
8 |
190 |
| HC-61121 |
250-250 |
24 |
10 |
190 |
| HC-61122 |
250-250 |
24 |
12 |
190 |
| HC-61123 |
300-300 |
24 |
10 |
240 |
| HC-61124 |
300-300 |
24 |
12 |
240 |
| HC-61125 |
400-400 |
28 |
12 |
320 |
|
|
|
|
|