| |
 |
|  |
|
 |
|
|
|
| 현재위치 : 바퀴 >> 브라켓(도어용) |
    |
| 제 품 명 : 하차 HC-HC ( 제품번호 : 3017 ) |
|
 |
단조잔넬 H빔용 하차 HC-HC
※이륜하차는 상부에 흔들림이 없도록 앵글을 잡아 주는 역할
※용접하차는 가이드 고정이나 절곡하여 홈에 들어가서 사용 |
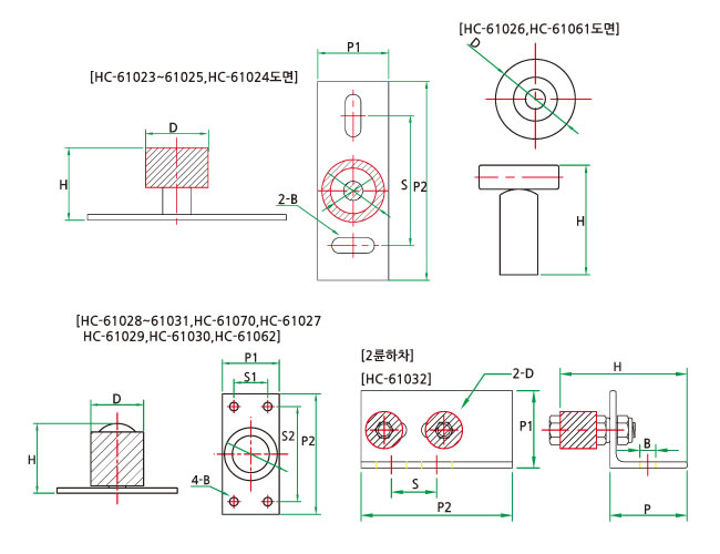
■사양
| 품번 |
상품명 |
번호 |
바퀴외경
(D) |
전체높이
(H) |
밑판넓이
(P1-P2) |
볼트간거리
(S1-S2) |
삽입베어링
(Z) |
허용하중
(kg) |
| HC-61023 |
HC-HC 오렌지 밑판대 |
④ |
45 |
51 |
50-141 |
30-109 |
6202 |
80 |
| HC-61024 |
HC-HC MC밑판대 |
⑤ |
30 |
50 |
50-141 |
30-109 |
무 |
50 |
| HC-61025 |
HC-HC 철 밑판대 |
⑥ |
30 |
50 |
50-141 |
30-109 |
무 |
50 |
| HC-62034 |
HC-HC올스텐 밑판대 |
|
30 |
50 |
50-141 |
30-109 |
무 |
50 |
| HC-61026 |
HC-HC 용접용 하차 |
⑩ |
40 |
55(47) |
19-19 |
- |
6000 |
100 |
| HC-61061 |
HC-HC 용접용 하차 |
⑨ |
50 |
47(55) |
19-19 |
- |
6000 |
100 |
| HC-61027 |
HC-HC 고하중 철하차 |
⑪ |
50 |
91 |
75-146 |
37-111 |
6004 |
500 |
| HC-61028 |
HC-HC 소 |
⑧ |
25 |
33 |
27-57 |
16-45 |
무 |
30 |
| HC-61029 |
HC-HC 중 |
② |
35 |
33 |
38-75 |
22-60 |
무 |
50 |
| HC-61030 |
HC-HC 오렌지 대 |
③ |
45 |
40 |
38-80 |
22-60 |
6202 |
80 |
| HC-61031 |
HC-HC 흑베어링 하차 |
① |
35 |
52 |
38-80 |
22-60 |
6000 |
100 |
| HC-61062 |
HC-HC 철베어링 하차 |
⑫ |
35 |
52 |
38-80 |
22-60 |
6000 |
100 |
| HC-61032 |
HC-HC 2륜 하차 |
⑦ |
25 |
93 |
50-100 |
58 |
무 |
50 |
| HC-62032 |
HC-MC60¢플레이트하차 |
|
60 |
50 |
50-141 |
30-109 |
6202 |
280 |
| HC-62033 |
HC-철60¢플레이트하차 |
|
60 |
50 |
50-141 |
30-109 |
6202 |
280 |
|
|
|
|
|