 |
|
|
|
| 현재위치 : 핸들 >> 그립 손잡이 |
   |
| 제 품 명 : TL-A 인장레버(붓싱타입) ( 제품번호 : 2506 ) |
|
 |
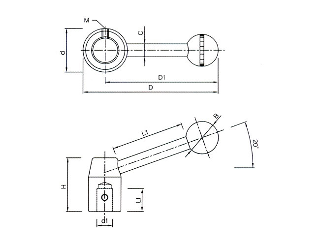
TL-A 인장레버(붓싱타입)
재질 : S45C(크롬도금), 페놀수지(흑색)
특징 :
- 강한 조암 장치에 사용할 수 있다.
- S45C를 사용하여 경질 크롬도금처리 되어서 마모, 녹방지에 우수하다. |
사양
| TYPE |
D |
D1 |
H |
B |
L1 |
d |
C |
d1 |
Lf |
M |
| TL-A/20 |
85 |
66 |
52 |
20 |
53 |
20 |
8 |
8,10,12 |
15 |
M5*0.8 |
| TL-A/22 |
85 |
66 |
47 |
25 |
58 |
22 |
8 |
8,10,12 |
20 |
M5*0.8 |
| TL-A/25 |
90 |
68 |
42 |
25 |
58 |
25 |
10 |
10,12 |
20 |
M5*0.8 |
| TL-A/25 |
90 |
68 |
42 |
25 |
58 |
25 |
10 |
16 |
20 |
M6*1.0 |
| TL-A/28 |
105 |
79 |
37 |
30 |
62 |
28 |
12 |
12 |
20 |
M5*0.8 |
| TL-A/28 |
105 |
79 |
37 |
30 |
62 |
28 |
12 |
16,20 |
20 |
M6*1.0 |
| TL-A/32 |
143 |
115 |
33 |
30 |
101 |
32 |
12 |
12 |
20 |
M5*0.8 |
| TL-A/32 |
143 |
115 |
33 |
30 |
101 |
32 |
12 |
16,20 |
20 |
M6*1.0 |
|
|
|
|