바퀴
    레벨/조절좌
    운반구
    AL프로파일
    로지폼(파이프랙)
    콘베어
    핸들

바퀴
 ▣ 휠마스타
 ▣ 캐리마스타
 ▣ Q 마스타
 ▣ 소형캐스터
 ▣ 경하중용
 ▣ 중하중용
 ▣ 고하중용
  ▶ ACHHM 시리즈
  ▶ ACHHUT 시리즈
  ▶ ACHU, ACHUA, ACHM
  ▶ ACMU,ACMM
  ▶ GCC4040 전산
  ▶ PBC7500(평)
  ▶ PBC7600
  ▶ PBC8000(평)
  ▶ PBC8100(평)
  ▶ PBC8300(평)
 ▣ 무소음/병원용바퀴
 ▣ AGV(자율주행차)
 ▣ 완충용
 ▣ 스텐레스
 ▣ 후마 캐스타
 ▣ 건축용
 ▣ 사무용
 ▣ 에어바퀴
 ▣ 통바퀴
 ▣ 특수/철/내열바퀴
 ▣ 바퀴 휠
 ▣ 도어용(항가/브라켓)
 ▣ V앵글
 ▣ U파이프
 ▣ ㄷ레일
 ▣ 레일
 ▣ 트로리
 ▣ 도비대차-와이어
 ▣ 바퀴부착용 베이스판


관리자 로그인
  HOME 회사안내 제품안내 제작사례 주문 문의/답변 자료실 입금/배송

제품번호를 입력해주세요
현재위치 :  바퀴 >> 고하중용
제 품 명 :  PBC7500(평)  ( 제품번호 : 14 )
용도 :
- 각종 자동차 부품 파렛트
- 각종 중량물 운반구

■ 캐스터 사양 단위 : mm
고정 R 회전 S 회전 브레이크
S BK
바퀴종류
(**)
하증
(kg)
바퀴직경
바퀴폭
(mm)
베어링
PBC7540-R ** PBC7540-S ** PBC7540-S ** BK Polyurethane
(PCIB)

MC Nylon
(MCB)
600 100(4") 64 6205ZZ
750
PBC7550-R ** PBC7550-S ** PBC7550-S ** BK 700 125
(5")
64 6205ZZ
850
PBC7560-R ** PBC7560-S ** PBC7560-S ** BK 720 150
(6")
64 6205ZZ
870
PBC7580-R ** PBC7580-S ** PBC7580-S ** BK 770 200
(8")
64 6205ZZ
920
PBC7510-R ** PBC7510-S ** PBC7510-S ** BK 820 250
(10")
64 6205ZZ
970
PBC7512-R ** PBC7512-S ** PBC7512-S ** BK 900 300
(12")
64 6205ZZ
1050


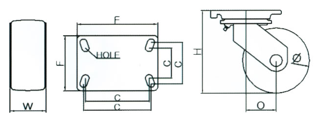
■ 캐스터 치수 단위 : mm
고정 R 회전 S 회전 브레이크
S BK
PLATE 옵셋거리 O 전체높이
H
F C HOLE
PBC7540-R ** PBC7540-S ** PBC7540-S ** BK 159*114 133*86
125*62
홀센터 128*75
26.6*14 35 143
PBC7550-R ** PBC7550-S ** PBC7550-S ** BK 48 165
PBC7560-R ** PBC7560-S ** PBC7560-S ** BK 68 191
PBC7580-R ** PBC7580-S ** PBC7580-S ** BK 58 257
PBC7510-R ** PBC7510-S ** PBC7510-S ** BK 69 301
PBC7512-R ** PBC7512-S ** PBC7512-S ** BK 80 348

  ① 취부판 : 스틸판

② 몸 체 : 스틸판

③ 바 퀴 : 바퀴종류 참조

④ 표면처리 : 아연(Zn)도금

■ 바퀴 종류
PCIB
- 주형 우레탄
- 코어 Cast Iron
- 2볼 베어링 6205ZZ
MCB
- MC 나이론
- 2볼베어링 6205ZZ
 



 연관이 많은 제품들입니다.


<<추천제품>>

항가레일

FLOOR LOCK

40 PL-4014(일반형)

작업의자(회전의자)
   
거창바퀴종합 대표 : 박윤호 사업자번호 : 131-08-31439
주소 : 인천광역시 남동구 은청로 4-19 남동공단산업용품상가 C동 125호
전화 : 032-821-4720 팩시밀리:032-821-4722
전자메일 : ceo@gccaster.co.kr , gccaster@daum.net
통신판매업신고번호 : 제 2011-인천남동구-0157호