ceo@gccaster.co.kr 032-821-4720 032-821-4722 국민은행 173901-04-227937 강남선(거창프로파일)
연 락 처
매장전화: 032-821-4720
매장팩스: 032-821-4722
e-mail: ceo@gccaster.co.kr
e-mail: gccaster@daum.net
공장전화 : 032)812-4725
계좌번호(거창바퀴종합)
예 금 주: 박윤호(거창바퀴)
은 행 명: 국민은행
계좌번호: 173901-04-124416
은 행 명: 기업은행
계좌번호: 121-063059-01-014
계좌번호(거창프로파일)
예 금 주: 강남선(거창프로파일)
은 행 명: 국민은행
계좌번호: 173901-04-227937
은 행 명: 기업은행
계좌번호: 010-6279-4497

현재위치 :  바퀴 >> 도비대차-와이어
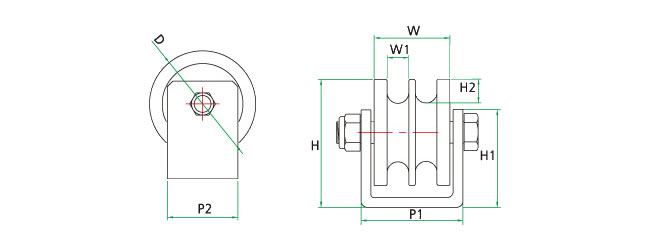
제 품 명 :  HC-2YMC  ( 제품번호 : 3517 )
MC청 2륜와이어용 고정(용접형) HC-2YMC


■ 2륜 와이어용 고정
품번 상품명 바퀴외경
(D)
바퀴폭
(W)
홈폭
(W1)
전체높이
(H)
브라켓높이
(H1)
밑판넓이
(P1-P2)
삽입베어링
(Z)
허용하중
(kg)
홈깊이
(H2)
HC-73144 HC-2Y6MC 64 34 8 77 58 46-50 6200 100 10
HC-73145 HC-2Y8MC 98 44 10 118 92 68-65 6204 500 12
HC-73146 HC-2Y10MC 98 44 12 118 92 68-65 6204 500 14
HC-73147 HC-2Y12MC 98 44 14 118 92 68-65 6304 1000 16
HC-73148 HC-2Y14MC 98 70 16 118 92 97-65 6304 1000 18
HC-73149 HC-2Y 16-18MC 98 70 20 118 92 97-65 6304 1000 22
HC-74157 HC-2Y8-8MC 105 21 8 120 92 68-65 6304 1000 8

■ 로라만
품번 상품명 바퀴외경
(D)
바퀴폭
(W)
홈폭
(W1)
삽입베어링
(Z)
허용하중
(kg)
홈깊이
(H2)
HC-73150 HC-IY6MCX2 64 34 8 6200(별도) 100 10
HC-73151 HC-IY8MCX2 98 44 10 6204(별도) 500 12
HC-73152 HC-IY10MCX2 98 44 12 6204(별도) 500 14
HC-73153 HC-IY12MCX2 98 44 14 6304(별도) 1000 16
HC-73154 HC-IY14MCX2 98 70 16 6304(별도) 1000 18
HC-73155 HC-IY16-19MCX2 98 70 20 6304(별도) 1000 22
HC-74156 HC-IY8-8MCX2 105 21 8 6304(별도) 1000 8