ceo@gccaster.co.kr 032-821-4720 032-821-4722 국민은행 173901-04-227937 강남선(거창프로파일)
연 락 처
매장전화: 032-821-4720
매장팩스: 032-821-4722
e-mail: ceo@gccaster.co.kr
e-mail: gccaster@daum.net
공장전화 : 032)812-4725
계좌번호(거창바퀴종합)
예 금 주: 박윤호(거창바퀴)
은 행 명: 국민은행
계좌번호: 173901-04-124416
은 행 명: 기업은행
계좌번호: 121-063059-01-014
계좌번호(거창프로파일)
예 금 주: 강남선(거창프로파일)
은 행 명: 국민은행
계좌번호: 173901-04-227937
은 행 명: 기업은행
계좌번호: 010-6279-4497

현재위치 :  바퀴 >> 레일
제 품 명 :  H빔용 레일(턱유) HC-RHR  ( 제품번호 : 2972 )
H빔용 레일바퀴 세트[턱유] HC-RHR


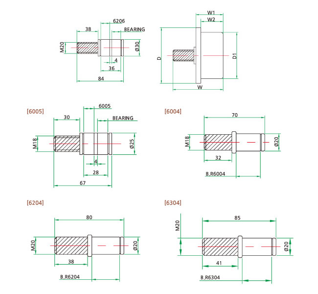
■사양
품번 상품명 바퀴외경
(D)
바퀴폭
(W1-W2)
로라턱 바퀴외경
(D1-D2)
볼트
길이
볼트
(M)
삽입베어링
(B)
허용하중
(kg)
수량
(Box)
HC-32160 125-65(8T) 128 54-42 12 104 M20-38 18 6206 800 8EA
HC-32161 125-65(8T) 128 45-35 8.5 104 M20-41 20 6304 1000 8EA
HC-32168 150-75(7T) 148 44-35 9 134 M20-41 20 6304 1000 4EA
HC-32167 150-150(4.5T) 148 44-35 9 139 M20-41 20 6304 1000 4EA
HC-32166 150-150(6T) 148 44-35 9 136 M20-41 18 6304 1000 4EA
HC-32165 175-90(4.5T) 198 44-35 9 164 M20-41 20 6304 1000 4EA
HC-32164 200-150(9T) 198 44-35 9 180 M20-41 20 6304 1000 8EA
HC-32163 200-100(6T) 198 44-35 9 186 M20-41 20 6304 1000 4EA
HC-32162 200-100(4.5T) 198 44-35 9 188 M20-41 20 6304 1000 4EA
HC-32169 200-100(10T) 198 44-35 9 176 M20-41 20 6304 1000 4EA

■ 적용 규격표(H빔 단면치수)
H*B t1 t2
100*75 3.2 4.5
100*100 3.2 4.5
100*100 6.0 9.0
125*75 3.2 4.5
125*100 3.2 4.5
125*125 6.0 9.0
150*75 3.2 4.5
150*75 5.0 7.0
150*100 3.2 4.5
200*100 3.2 4.5
200*100 3.2 6.0
200*150 3.2 4.5