ceo@gccaster.co.kr 032-821-4720 032-821-4722 국민은행 173901-04-227937 강남선(거창프로파일)
연 락 처
매장전화: 032-821-4720
매장팩스: 032-821-4722
e-mail: ceo@gccaster.co.kr
e-mail: gccaster@daum.net
공장전화 : 032)812-4725
계좌번호(거창바퀴종합)
예 금 주: 박윤호(거창바퀴)
은 행 명: 국민은행
계좌번호: 173901-04-124416
은 행 명: 기업은행
계좌번호: 121-063059-01-014
계좌번호(거창프로파일)
예 금 주: 강남선(거창프로파일)
은 행 명: 국민은행
계좌번호: 173901-04-227937
은 행 명: 기업은행
계좌번호: 010-6279-4497

현재위치 :  바퀴 >> 항가
제 품 명 :  C형 항가(싱글) HC-C1  ( 제품번호 : 2808 )
C형 항가차 싱글 HC-C1


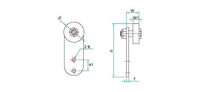
■사양
품번 상품명 바퀴외경
(D)
전체폭
(W)
바퀴폭
(W1)
전체높이
(H)
홀간격
(H1)
볼트홀
(B)
삽입베어링
(Z)
허용하중
(kg)
수량
(Box)
HC-61001 HC-C1 40 40 25 12 106 22 7.5 6000 50 50EA
HC-61002 HC-C1 50 50 25 12 112 22 7.5 6000 50 50EA
HC-61003 HC-C1 55 55 25 13 114 22 7.5 6000 70 50EA
HC-61004 HC-C1 68 68 31 15 166.5 40 9.5 6001 100 20EA
HC-61005 HC-C1 90 90 31 16 179 40 9.5 6201 150 16EA

■사양(신제품)
품번 상품명 바퀴외경
(D)
전체폭
(W)
바퀴폭
(W1)
전체높이
(H)
홀간격
(H1)
볼트홀
(B)
삽입베어링
(Z)
허용하중
(kg)
수량
(Box)
HC-61050 HC-C1 53 53 25 13 112 22 7.5 6000 50 50EA
HC-61051 HC-C1 63 63 31 15 165 40 9.5 6001 100 20EA
HC-61052 HC-C1 65 65 31 12 165 40 9.5 6000 70 20EA
HC-61053 HC-C1 70 70 31 12 169 40 9.5 6000 90 20EA
HC-61054 HC-C1 75 75 31 12 170 40 9.5 6000 100 20EA
HC-61055 HC-C1 80 80 42 20 174 40 9.5 6003 180 10EA

■ 적용 규격표(C형강 단면치수)
  H B C T
55, 53 사용 60 30 10 1.6
53, 50 사용 60 30 10 2.0
40, 50 사용 60 30 10 2.3
63, 65, 68 사용 75 45 15 1.6
65, 68 사용 75 45 15 2.0
63, 65, 68 사용 75 45 15 2.3
80, 90 사용 100 50 20 1.6
75, 80, 90 사용 100 50 20 2.0
75, 80, 90 사용 100 50 20 2.3
75, 80, 90 사용 100 50 20 2.6
65, 75, 80 사용 100 50 20 3.2